Help ! Vous pouvez aider au développement du site par des dons de catalogues, notices, revues sur la RC, par l'achat de stickers ou par des dons via Paypal.
Merci pour votre soutien !
  Contact               Stickers              Don

     


Accueil
BMT
BMT - 1995 - Notice 95 Racing 4WD
Page 12


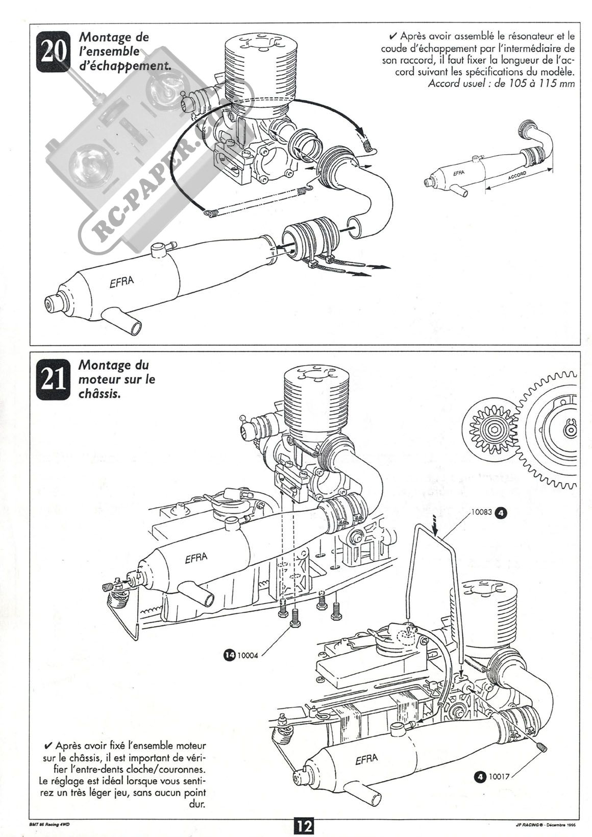
Couverture                   Page 12                   Sommaire
                     

not_bmt-0001-00012

                     



  • Publications
  • Le projet
  • Historique
  • Contact
  • Remerciements
  • Liens
  • Propriété intellectuelle
  • Copyright © 2015-2026 RC-PAPER.COM - All rights reserved.
    No material from this website may be copied or reproduced without written permission. All material pictured are copyrighted by their respective owners.